煤炭价格对煤化工产业链影响解析
刘培洋 申文 07月25日
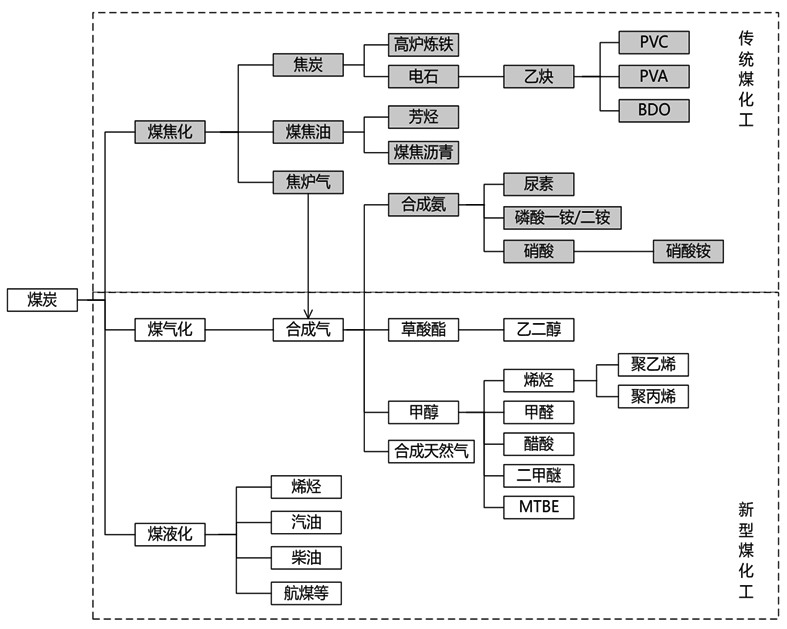
我国能源资源特点为“富煤、贫油、少气”,因此煤炭是我国最主要的能源。从我国煤炭消费结构来看,电力、钢铁、建材、化工四大行业煤炭消费量占总消费比重超过90%,对应的可以将煤炭分为动力煤、炼焦煤、化工煤及其他。其中,动力煤主要依靠煤炭燃烧产生的热值发电、发热,煤种包括褐煤、无烟煤、长焰煤、不粘煤和贫煤;炼焦煤主要用于冶金、炼焦,包括气煤、肥煤、气肥煤、1/3焦煤、焦煤和瘦煤;化工煤主要用于生产能源化工产品,包括褐煤、无烟煤及部分烟煤等。化工煤经化学加工转化为气体、液体和固体燃料以及化学品的过程称为煤化工。煤化工涉及的相关期货品种较多,其中尿素、甲醇、乙二醇等品种均属于煤气化产业链,具有较强的相关性。
图为煤化工产业链 首先来看尿素的原料用煤情况,煤制尿素工艺可划分为固定床、流化床和气化床。固定床主要以无烟煤为原材料,而流化床和气化床则可使用成本更低的烟煤。以无烟煤为原料的固定床装置生产1吨尿素,需消耗1 吨左右的无烟煤(标准7000大卡)、0.1吨左右的动力煤(主流为5000大卡)、电1000度左右。以烟煤为原料的流化床装置中,航天炉装置消耗的烟煤为1.3~1.5吨,耗电量140~200 度。四喷嘴气化炉装置消耗的烟煤为0.75~0.79 吨,耗电量控制在 700~1000 度。 其次是甲醇的原料煤使用情况,国内甲醇生产中煤制工艺占比较大,煤制甲醇工艺分为固定床、流化床、气流床等装置,生产原料煤包括褐煤、烟煤、无烟煤等,以西北某上市公司为例,其原料煤单耗在1.63~1.88吨,燃料煤单耗在0.55~1.14吨。 最后是乙二醇的原料煤使用情况,国内乙二醇主要生产工艺为乙烯法和合成气法,其中煤制合成气制乙二醇主要成本构成包括原料煤(褐煤)、动力煤以及其他费用。以通辽某公司为例,褐煤综合单耗为5.3吨,动力煤综合单耗为1.15吨。 通过前文分析看出,煤化工品种的原料煤种类较多,主要包括动力煤、无烟煤、烟煤等。因此,现货价格方面选择具有代表性的秦皇岛港动力煤(Q5500)、晋城无烟煤、榆林烟煤和柳林焦煤作为分析指标。之所以增加焦煤,主要是目前期货市场上只有动力煤期货和焦煤期货,且焦煤期货较为活跃,因此选取焦煤作为期货和现货的中间桥梁,来进一步分析原料煤和煤化工品种的相关性。
图为煤炭价格走势(单位:元/吨) 2019年以来,煤价走势主要包括三个阶段:一是2019年至2020年一季度,由于经济增速放缓,需求下降,煤价处于下行趋势;二是2020年二季度至2021年四季度,受新冠疫情、政策因素影响,煤价迎来一轮牛市上涨;三是2021年四季度至今,随着供需矛盾缓解,煤价自高位回落,并回归至历史合理区间。通过相关性分析显示,2019年以来,焦煤现货与动力煤现货价格相关性系数为0.81,焦煤现货与无烟煤现货价格相关性系数为0.80,焦煤现货与烟煤现货价格相关性系数为0.86,均处于较高水平。由于上述现货报价均为周度价格,频率较慢,如果使用期货价格监控更为方便。考虑选定焦煤期货作为日常监控煤炭市场价格变化的指标,通过对焦煤期货价格和现货价格的相关性分析得出,自2019年以来,焦煤期货价格和现货价格之间的相关性系数为0.82,也处于较高水平。因此,可以通过关注焦煤期货的日常波动来判断焦煤现货价格的趋势,并进一步为判断整个煤炭现货市场(如动力煤现货、无烟煤现货、烟煤现货)的运行趋势提供参考。
表为煤炭现货价格的相关性系数 通过前面分析,由于煤炭在尿素等煤化工品种的生产原料成本中占比较高,因此,煤炭价格的波动也将会影响尿素等煤化工品种的价格波动,传导途径主要是通过成本端,即煤炭价格的上涨或者下跌会带动煤化工品种成本的上涨或下跌,并进一步影响煤化工价格的波动。以尿素为例,自2019年8月9日在郑州商品交易所上市以来,其价格与原料煤之一的晋城无烟煤价格相关性系数高达0.85,且煤价的每一轮大幅上涨和下跌都能和尿素价格形成共振,例如2021年煤价大涨和2023年煤价大跌过程中,尿素价格都同样跟随上涨和下跌,且行情启动和结束的时间点也非常接近。
图为煤炭价格与尿素价格走势(单位:元/吨)
表为煤化工相关期货品种的相关性系数 从相关性统计数据能够看出,尿素期货、甲醇期货和乙二醇期货与焦煤期货的相关性系数分别为0.91、0.88、0.62,处于较高水平,基本可以印证前面分析中提出的使用焦煤期货作为煤炭市场运行的参考指标并进一步分析煤化工品种走势的逻辑。另外,从与焦煤期货的相关性系数排列顺序上来看,尿素>甲醇>乙二醇。主要原因在于,煤炭在尿素和甲醇的生产原料中所占比例较高,而在乙二醇生产原料中占比相对较低。因此,可以把焦煤价格作为尿素、甲醇这两个煤化工品种走势的重要参考指标。 从政策角度来看,煤炭作为我国基础能源,价格走势稳定是重中之重。一旦其价格发生巨大波动,反映出市场政策或者经济需求也发生了重要变化。由于期货价格具有高度的金融属性,其对经济政策和宏观形势的反应也较为敏感,并先于现货市场表现。因此,当煤炭价格出现大幅上涨或者下跌时,就容易成为主导煤化工期货品种价格走势的重要因素。从另外一个角度来看,尿素、甲醇、乙二醇三者之间的期货价格走势也具有较高的相关性,反映出煤化工品种会受共同的煤炭成本因素影响而出现共振。 2024年上半年,国内煤炭市场重心整体走弱。具体来看,1月延续僵持局面,而后受春节假日影响,下游阶段性补库,煤炭价格随之小幅上涨;进入3月,随着气温回升,居民用电量下降,终端需求疲软,煤价开始进入加速下行通道;进入5月,在铁路优惠政策助推下,下游提前备货,叠加旺季行情兑现,煤价再度掉头向上;但5月下旬之后,市场再度进入僵持弱稳局面。以鄂尔多斯动力煤为例,截至7月5日,年内累计下跌6.4%,和去年同期价格基本持平。供给方面,国家统计局数据显示,2024年1—5月国内煤炭产量18.6亿吨,同比下降3%;其中,内蒙古地区5.2 亿吨,同比增长2.7%,山西地区4.7亿吨,同比减少15%。山西减量较为明显,集团矿减量占比较大,主要受安全生产要求等因素影响。相关机构数据显示,523 家样本矿1—6月平均开工率为83.29%,同比下降12.66%。进口方面,据海关总署最新数据显示,2024年1—5月累计进口煤20497万吨,同比增长12.6%。
图为中国煤炭产量(单位:万吨)
图为中国煤炭进口量(单位:万吨) 展望下半年,在安全监管力度较严格的背景下,山西产量同比或仍有下滑,内蒙古、陕西等地区保持正增长,部分弥补了山西产量下滑的供应缺口。而进口煤依然维持较高增速,成为国内供给端的重要边际变量,对国内供给形成较好补充。因此,下半年煤炭市场供给端整体将保持相对充裕,一旦需求端缺乏亮点,煤炭市场价格整体易跌难涨。对和煤炭市场关联最密切的煤化工品种尿素和甲醇来说,目前,煤制生产利润均处于负值水平,当煤炭价格出现明显上涨时,成本支撑因素将显现,并有望推动尿素和甲醇价格同样进入上涨行情。相反,在供给预期宽松的情况下,下半年一旦煤炭价格出现下行趋势,尿素和甲醇生产利润将有所好转,如果进一步带动两者开工率回升,供给端保持增长趋势,则尿素和甲醇价格将同样进入下行趋势。(作者单位:中原期货) (责任编辑:admin) |








