期权号移动版

  • 煤炭价格对煤化工产业链影响解析

    日期:2024-07-25 08:27:49 点击:44 好评:0

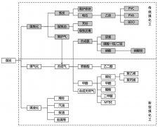
    我国能源资源特点为富煤、贫油、少气,因此煤炭是我国最主要的能源。从我国煤炭消费结构来看,电力、钢铁、建材、化工四大行业煤炭消费量占总消费比重超过90%,对应的可以将煤...

  • 市场人士:有色板块将延续弱势

    日期:2024-07-25 08:27:39 点击:44 好评:0

    7月中旬以来,有色板块整体走弱,多数品种价格持续下跌。同时,美国大选一波三折,市场不确定性不断放大。 中信建投期货工业品首席分析师江露表示,有色板块持续性走弱主要受...

  • 焦煤、焦炭向下空间有限

    日期:2024-07-25 08:25:04 点击:23 好评:0

    近期,煤焦期货价格中枢不断下移。截至7月23日,焦煤主力合约JM2409收在1482元/吨,创年内新低,当日跌幅2.44%,自7月中旬以来跌幅达6.2%;焦炭主力合约J2409收在2095元/吨,自7月中旬以...

  • 下半年天然气市场走势或出现分化

    日期:2024-07-24 08:19:58 点击:18 好评:0

    A 欧洲:气价上行空间有限 欧洲天然气供应偏紧,主产国之一的荷兰天然气产量进入下行通道。荷兰是欧盟最大的天然气生产国,但由于境内主产地格罗宁根气田的生产钻探持续引发地...

  • 分析人士:季节性轮动特征持续

    日期:2024-07-24 08:19:48 点击:18 好评:0

    今年以来,欧洲天然气市场整体呈现供强需弱格局。市场人士表示,下半年,欧洲天然气供需矛盾仍难以凸显,市场或继续表现季节性轮动特征。 据了解,近年来,欧洲天然气市场形成...

  • 中短端品种表现料强于超长端

    日期:2024-07-24 08:18:42 点击:35 好评:0

    7月22日,央行发布多则公告。其一,公开市场7天期逆回购操作采用固定利率、数量招标,操作利率由1.8%调整为1.7%。其二,1年期LPR为3.35%,5年期以上品种报3.85%,均下调10bp。央行表示,...

  • 分析人士:国债整体超涨 后续注意风险

    日期:2024-07-24 08:18:01 点击:50 好评:0

    7月22日,央行发布多份公告,涉及多项货币政策的调整。7天期逆回购操作调整为固定利率、数量招标,利率下调10bp,至1.7%;适当减免中期借贷便利(MLF)操作质押品,增加可交易债券...

  • 分析人士:目前分歧较大

    日期:2024-07-24 08:17:40 点击:50 好评:0

    本周集运指数(欧线)期货价格重心继续下移,截至目前,已连续第三周回落,造成盘面持续走弱的背后原因是什么?后续还有下行空间吗? 近期EC盘面呈现震荡偏空走势,主要由于即...

  • 豆类反弹空间受限

    日期:2024-07-24 08:17:31 点击:35 好评:0

    本周以来,美豆期货主力合约2411自1030美分/蒲式耳一线迎来反弹,并逐步逼近20日均线1080美分/蒲式耳,带动国内豆类期价小幅反弹。 美豆单产预期上调 7月中旬以来,热带风暴贝利尔为...

  • 原油 下半年先扬后抑

    日期:2024-07-24 08:17:23 点击:13 好评:0

    当前原油市场受双重因素影响:一方面,OPEC+ 220万桶/日自愿减产延长至三季度,叠加需求环比改善,预计三季度原油库存将持续去化;另一方面,进入四季度后,成品油旺季消退,原油...